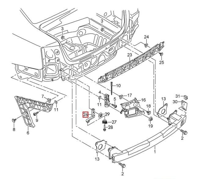
Please place the order only if you are completely confident that this part number is the right one for you and your car – always check the manufacturer part number prior to your purchase! Please note compatibility and part number issues – if you are unsure of your decision – we are here to help. FOR SALE IS A NEW GENUINE AUDI A6 C7 REAR RIGHT BUMPER HOLDING STRAP CARRIER 4G9807330 TO FIT: – AUDI A6 C7 ( 2010 – 2018 ) Part number: 4G9807330 Brand: Audi
Bumpers & Rubbing Strips
NEW GENUINE AUDI A6 C7 REAR RIGHT BUMPER HOLDING STRAP CARRIER 4G9807330
18,59 €
3 makset 6.2€ kuus, ilma lisatasudeta. 
Järelmaks alates 0.6€ / kuu, 0€ lepingutasu. 





